Инструкции

Открыть
pdf RUS
  1. SAWO STE, cтраница 1
  2. SAWO STE, cтраница 2
  3. SAWO STE, cтраница 3
  4. SAWO STE, cтраница 4
  5. SAWO STE, cтраница 5
  6. SAWO STE, cтраница 6
  7. SAWO STE, cтраница 7
  8. SAWO STE, cтраница 8
  9. SAWO STE, cтраница 9
  10. SAWO STE, cтраница 10
  11. SAWO STE, cтраница 11
  12. SAWO STE, cтраница 12
  13. SAWO STE, cтраница 13
  14. SAWO STE, cтраница 14
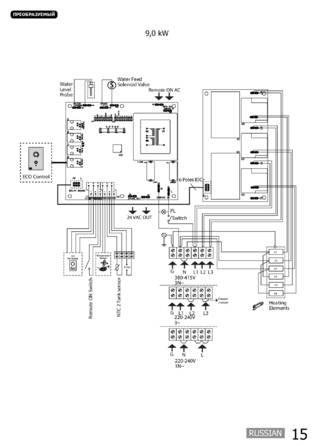
  15. SAWO STE, cтраница 15
  16. SAWO STE, cтраница 16
  17. SAWO STE, cтраница 17
  18. SAWO STE, cтраница 18
  19. SAWO STE, cтраница 19
  20. SAWO STE, cтраница 20
  21. SAWO STE, cтраница 21
  22. SAWO STE, cтраница 22
  23. SAWO STE, cтраница 23
  24. SAWO STE, cтраница 24

Инструкции SAWO